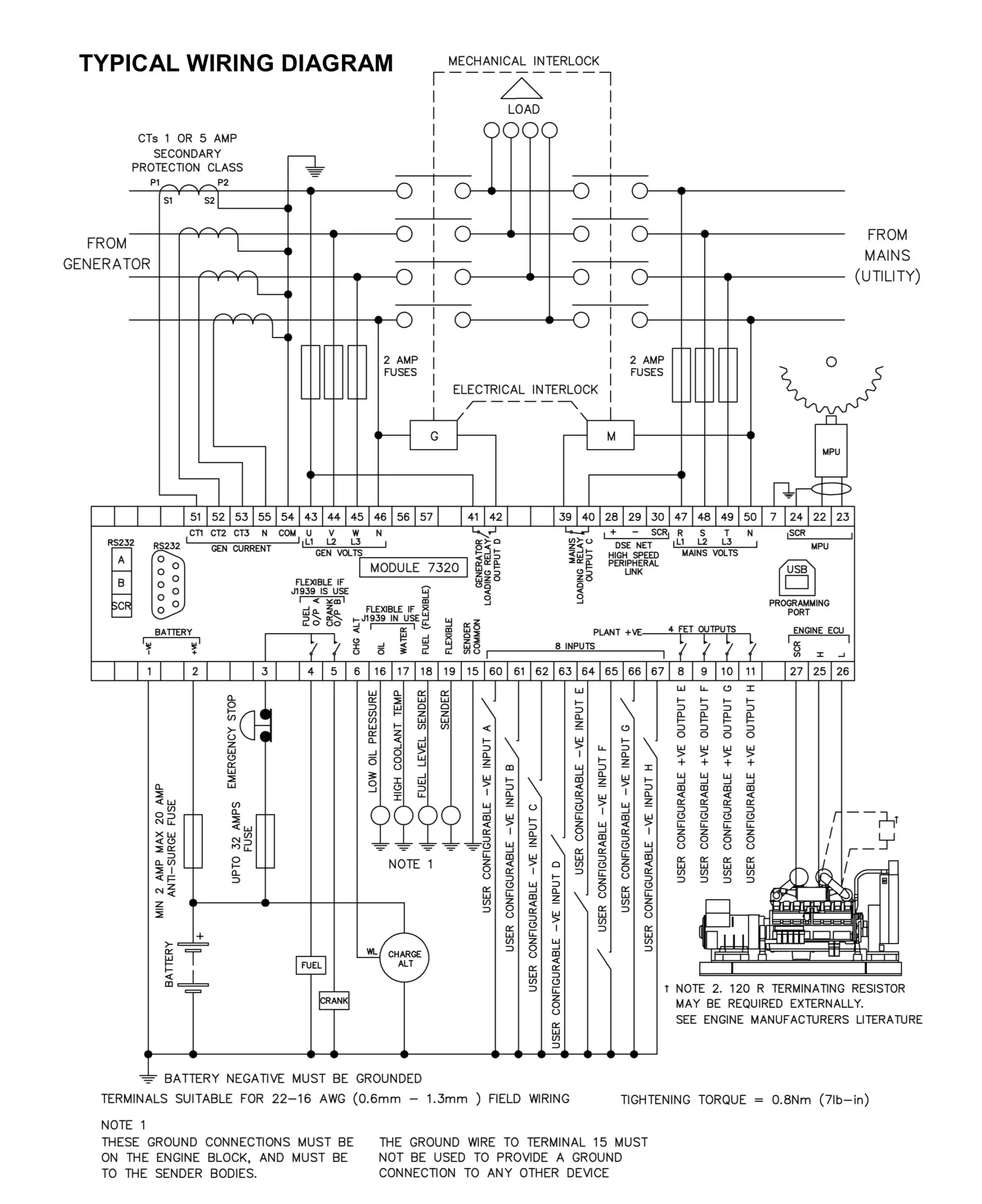
该模块可监控多种发动机参数,并通过背光 LCD 显示屏、发光 LED、远程 PC 和短信提醒(使用外部调制解调器)显示警告、停机和发动机状态信息。
DSE7320 还可监控主电源。这些模块包括 USB、RS232 和 RS485 端口,以及用于系统扩展的专用 DSENet® 终端。
这两个模块均兼容电子(CAN)和非电子(交流发电机/磁拾音器传感)发动机,并提供大量灵活的输入和输出以及广泛的发动机保护,使系统能够轻松满足最苛刻的行业要求。广泛的功能包括增强的事件和性能监控、远程通信和双机互备(仅限 DSE7310),以减少发动机磨损。使用 DSE 配置套件 PC 软件可轻松配置模块。还可进行前面板编辑。






-1-300x300.jpg)



